PRODUCT CENTER

产品中心

德国专家团队+本地化技术服务

提供轴承选型、寿命计算、新产品研发等服务


详细说明

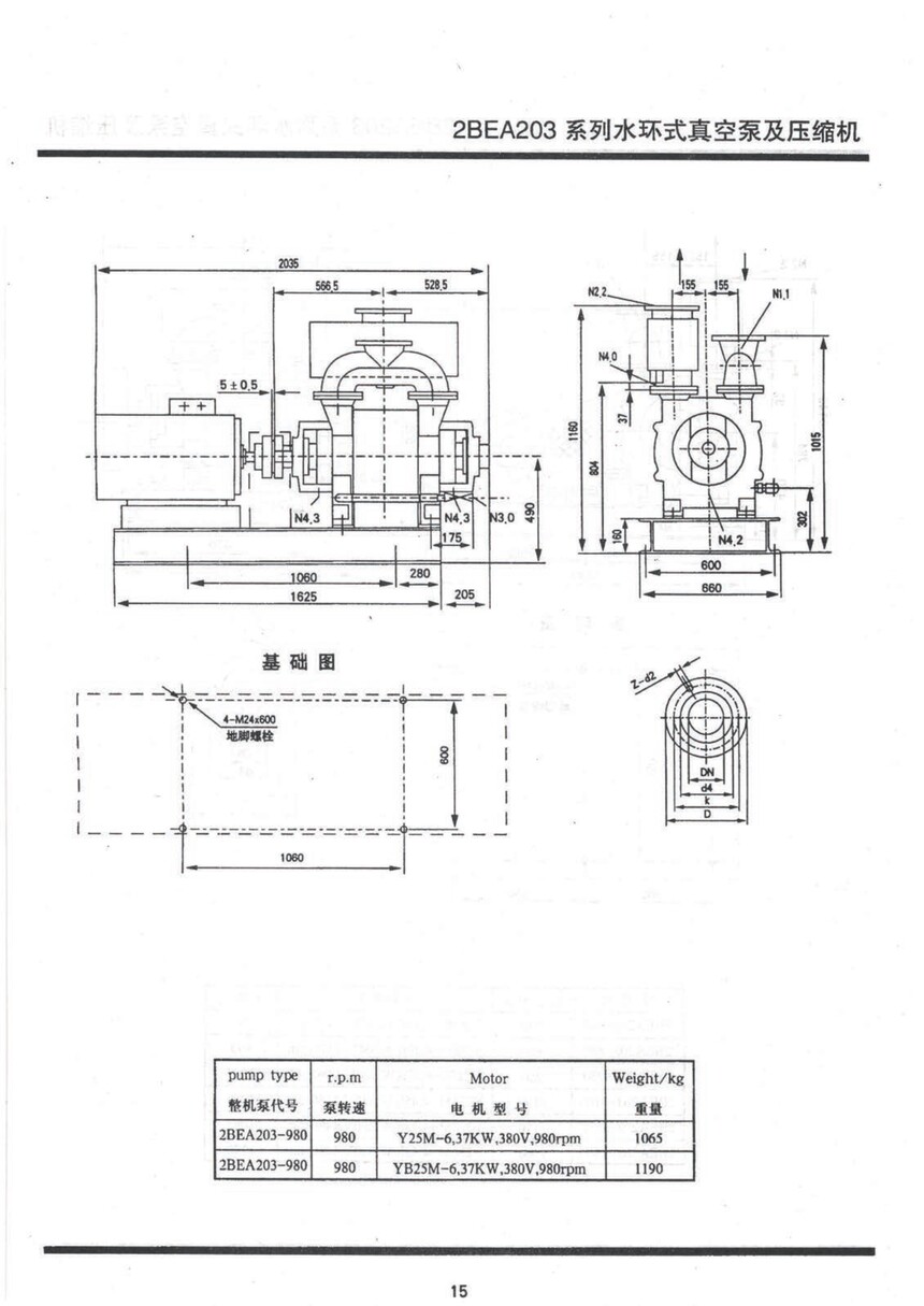
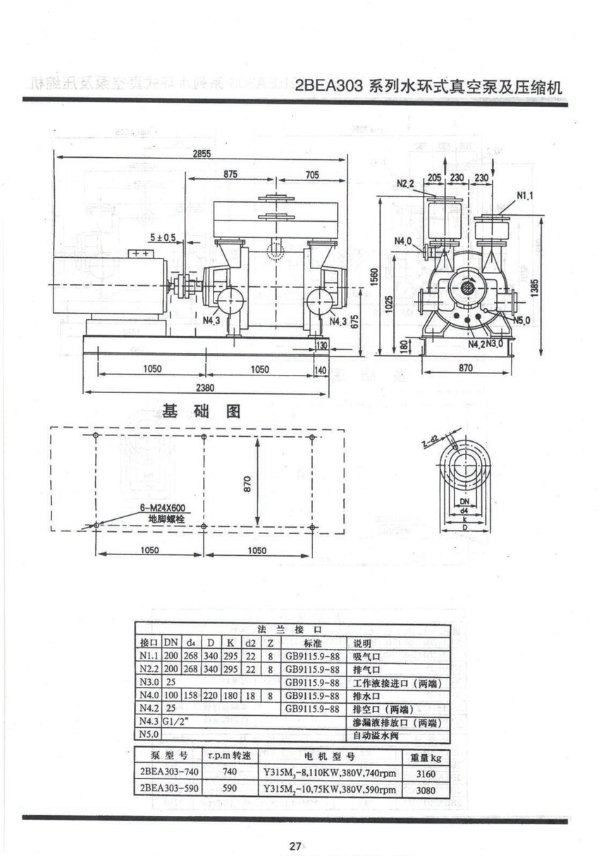
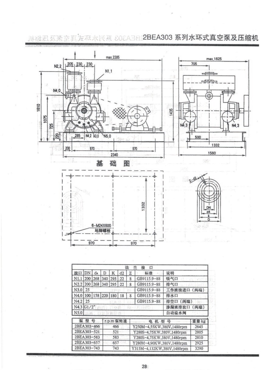
2BEA型水环式真空泵

暂无价格
收藏
商品说明


400-0531-959

山东省淄博市淄川区寨里镇工业园

sunshuai0879@163.com

0533-6125726

13964457753

导航

关注我们

×
seo seo